Product Description
- Features
- Specifications
- Dimensions
- Accessories
- Downloads
- Calibration
| ○ Compact Super Hybrid Sensor (C-SHS) enables space saving with fast 2 sec stabilization |
| ○ One-touch Cal allows any user to perform calibration in seconds |
| ○ External & internal calibration models available to fit your application & budget requirements |
| ○ Rugged, shatterproof breeze break with anti-static plastic provide safety for challenging applications where product & user safety is a concern |
| ○ Rotary-Radius doors take up no extra room in fume hoods/glove box and increase safety by avoiding operation mishaps |
| ○ The breeze break detaches in an instance, even with heavy gloves, making it easy to clean and safe to top-load |
| ○ Simple user navigation makes this ideal entry level balance from lab to industrial weighing environments |
| ○ Front mounted illuminated spirit bubble makes for an easy leveling experience to ensure the best performance |
| ○ Removable breeze break allows effortless cleaning of SS pan, spill ring, base floor |
| ○ Breeze break top pivots left or right to allow easy access for tall flasks and beakers |
| Capacity | (0 to 152) g |
| Readability | 0.1 mg |
| Linearity | ±0.2 mg |
| Repeatability | 0.01 mg |
| Weighing units of Measurements | g , mg , oz , oz-t , ct , momme , dwt , grain , tael , tola , pieces (counting mode) , % (percent mode) , DS (density mode) , user definable functions |
| Calibration | External |
| Weighing Pan Size | Ø 90 mm , 3.6 “ |
| Breeze Break | (183 x 148.5 x 251) mm , (7.2 x 5.84 x 9.88) ” |
| Warranty | Five-year limited manufacturer’s warranty |
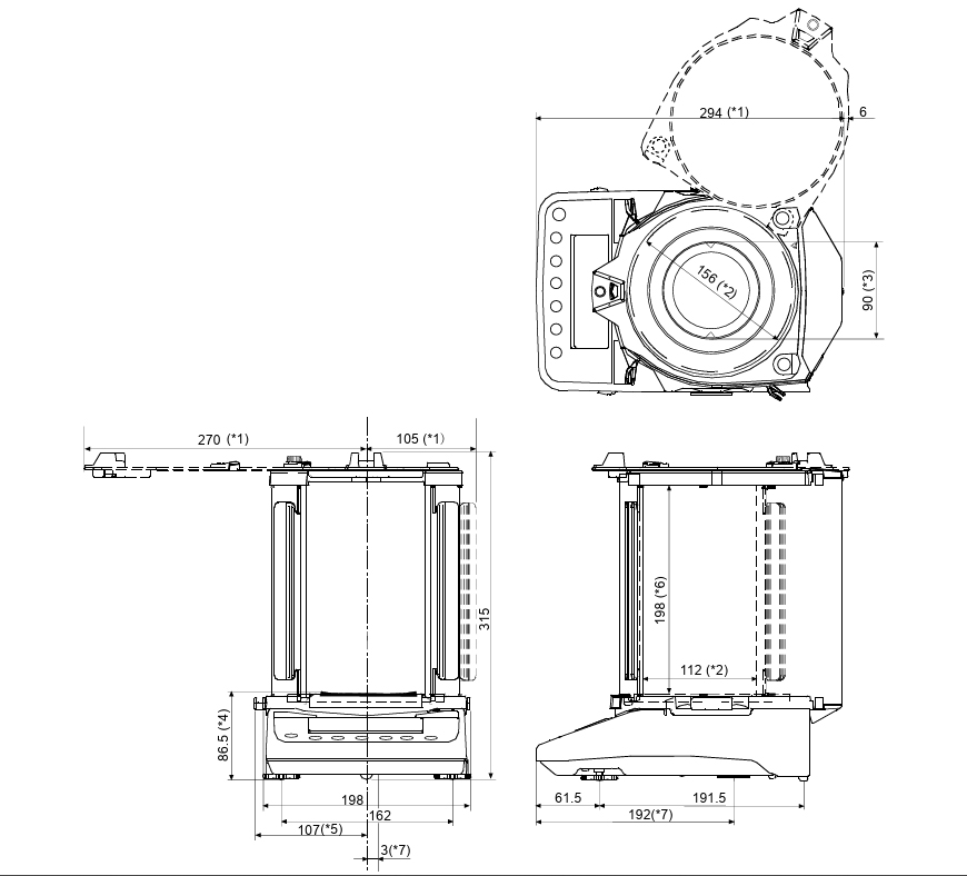
| Dimensions (W x D x H) | (198x 294 x 315) mm |
| Included | |
| AC Adapter | |
| Optional | |
| FX-i-02 | Quick USB Interface with cable (Uni-directional) |
| FX-i-08 | Ethernet Interface with WinCT-Plus Software |
| FX-i-09 | Built-in Rechargeable Battery |
| AD-100-2 | Anti-theft Device |
| AD-1654 | Density Determination Kit |
| AD-1683 | Static Eliminator |
| AD-1688 | Electrostatic Fieldmeter |
| AD-1689 | Calibration Weight Tweers (5pk) |
| AD-8121B | Multifunction printer |
| AD-1192 | Compact printer |
| AD-8526-9 | Ethernet Interface D-Sub 9 w/ WinTC Plus |
| AD-8922A | Remote Controller |
| AX:0730009456 | Protective Cover |
| TB:648 | AC Adaptor (120V/220V) |
| AX-USB-2920-9P | USB to 9pin RS232 Converter 6ft |
○ A Certificate of Calibration is included when calibration services are ordered from MRM Metrology Inc.
○ Use CAL HR-150A when requesting calibration services from MRM Metrology.
Calibration and Repair Services
MRM provides Calibration and Repair Services for the
HR-150A Analytical Balance
For a quote, please email us at [email protected]











































Reviews
There are no reviews yet.